The Transistor Transistor type Paraset with "metal" valve cases holding the transistors

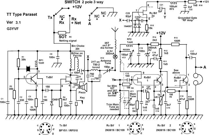
For a bigger version of the Schematic CLICK in the graphic which open in a new window.

To save the schematic, or the bigger one RIGHT CLICK within the graphic, to be saved, and use "SAVE PICTURE AS"

This is the TT (Transistor transistor) Paraset SOT means "Select On Test".

The TT performs just like a valve Paraset in fact some have said it is actually quieter on Rx.