Min traktor Ferguson TED20 1952

 

 

Då har jag blivit med traktor! Pensionären skall ha nåt att syssla med, så det fick bli att pyssla om en annan pensionär.

Ferguson TED-20 1952. Chassinummer TED284737. Bensin/fotogen. men jag kör bara på bensin. Den är törstig, över 2 liter per mil. Har låg kompression för att kunna hantera fotogen. Bensinen, hade efter kriget endast oktantal under 80. Provningen av traktorn hos SMP 1947 enligt nedan, skedde med oktantalet 74!! Högsta tillåtna hastighet för traktorer var tidigare 20km/h. Därför är maxhastigheten på en Grålle strax över 20km/h. I Sverige höjdes tillåten hastigheten till 30km/h 1952. Då skulle även traktorn registreras. 1995 vid inträdet till EU höjdes hastigheten till 40km/h, gäller nya traktorer, efter 2003. Och vad jag förstår så ska man vara minst 15 år och inneha minst AM körkort för att få köra traktor idag. Det gamla traktorkortet har utgått. Mopedbil får köras vid 15 års ålder, så det är antagligen en anpassning till detta.

Den lilla grå Ferguson TE20 byggdes i USA 1939 - 1947 och i England/Frankrike mellan 1946 - 1956 utan några större förändringar. Några olika motorer. 66% exporterades från England. 33.000 såldes i Sverige. Av dessa lever fortfarande över 20.000. De vårdas ömt och har ett behagligt pensionärsliv utan slit på åkrarna. Svenska Grålleklubben har ca 6500 medlemmar. Tillgången på reservdelar är god, de nytillverkas. Motorn är av samma typ som fanns i personbilen Standard Vanguard. I bilen var effekten 68 hk, 4500 rpm, medan traktorversionen blev strypt till 30 hk och 2000 rpm. Det är vridmomentet som prioriteras i traktorn, inte effekten. Den fanns även en dieselversion. Många svordomar lades över den motorn, notoriskt svårstartad, även på solsidan av ladugårdsväggen. Den grå färgen var överskott efter krigsindustrin, men i USA var traktorn oxo grå, innan kriget!. Av den gråa färgen blev svenska smeknamnet "Grålle". "Gråtass" i Norge. Och "Little Grey Fergie" i England.

Det unika med denna lilla traktor var Harry Ferguson's (1884-1960) tre-punktslyft och steglösa nivåregleringen under sina patent från 1937. Övriga traktorer släpade redskapen efter sig som hästen gjorde. Ferguson bar sina i tre-punktslyften, och kunde reglera nivån på lyften. Harry Ferguson satte ett helt nytt koncept med sina patent. Då behövde inte traktorn vara stor och väga bly, för att dra redskapen i jorden utan att slira. Redskapens tyngd flyttades över på traktorn. Ford gjorde intrång i patenten för tidigt och fick böta många miljoner dollar till Ferguson i början av 1952. En stor del av dollarna gick till att betala advokaterna!! Henry Ford och Ferguson byggde över 300.000 "Grålle" traktorer i amerika från 1939 med Ferguson's patent med enbart ett handskakning som dokument. Henry Ford's sonson tog över styret efter kriget och bröt överenskommelsen från sin farfars tid, men fortsatte att bygga "Grålle" traktorerna utan patenträttigheter, han tyckte det fanns inget dokument! Patenten löpte ut senare under 1952. Då var det fritt att kopiera tre-punktslyften bl.a, vilket de flesta (alla) fabrikanter har gjort. Dessutom kom ett krig emellan som förbrukade tid och resurser av patenträttigheterna. Ferguson tog fram många redskap som passade att hänga på tre-punktslyften. Det blev en industri vid sidan om traktorn. 1953 sålde Harry Ferguson bolaget till Massey-Harris. Vilket senare blev MF, Massey-Ferguson och det bolaget lever än idag. Färgen skiftade från grå till röd på traktorerna och de har växt i storlek.

Farlig arbetsplats.

Utdrag från arbetsmiljöföreskrifterna: Efterhand som olika typer av traktorer har utvecklats har det också uppstått nya risker för olycksfall och arbetssjukdomar. Tidigare uppmärksammades de svåra olycksfall, oftast dödsfall, som inträffade när traktorer välte eller överstegrade och föraren kom i kläm under fordonet. Under senare delen av 1950-talet inträffade i medeltal mer än 30 sådana dödsolyckor per år. Då fanns det inte krav på överrullningsskydd på traktorer. Därför bestämdes att nya traktorer fr.o.m. den 1 juli 1959 skulle utrustas med överrullningsskydd. Detta krav utvidgades fr.o.m. den 1 oktober 1965 till att omfatta alla traktorer som framfördes av arbetstagare. Sedan började man även att klä in skyddsramen för att ge föraren en godtagbar arbetsmiljö vad gäller klimat och buller. Förarhytten är numera en integrerad del av fordonet.

Det är bara ägaren som får köra en traktor utan skyddsbåge, och bara med egen last. Inga uppdrag åt andra.

Bromsar på släpet?

Sedan 1 februari 1998 krävs bromsar på släpet
om dess bruttovikt är högre än den dragande
traktorns bruttovikt

När krävs det bromsar på släp?
Bromsar krävs på släp när den sammanlagda bruttovikten vid
färd på väg överstiger dragfordonets bruttovikt, och vid färd
i terräng två gånger dragfordonets bruttovikt.

Bruttovikt = den vikt som vid ett
specifikt tillfälle vilar på fordonets
hjul.
Bromskraft = motsvarar den största
inbromsning, retardation, fordonet
kan åstadkomma då det lastas till sin
maximalt tillåtna bruttovikt. Bromskraften
anges i procent av tyngdkraftsaccelerationen
(9,81 m/s2)
Till exempel betyder 30 procents
bromskraft en retardation på:
0,30 x 9,81 = 2,94 meter/sek2.

 

En liten bötesmall för släpvagn efter jordbrukstraktor på allmän väg

SLÄPFORDON SOM DRAS AV TUNG TERRÄNGVAGN MED EN KONSTRUKTIV HASTIGHET AV HÖGST 30 KM/H, TRAKTOR ELLER MOTORREDSKAP KLASS II
420E Kopplingsanordning saknas/otillfredsställnade 800:-
421E Däck med fel dimension eller belastningsvärde 400:-
422E LGF-skylt saknas/bristfällig/ej anordnad på föreskrivet sätt (vid färd på väg) 300:-
423 Lykta/lyktor saknas/ur funktion/bristfällig(a) (Vid färd under mörker)
A båda lyktorna saknas/ur funktion 600:-
B en lykta saknas/ur funktion 300:-
C fel i andra fall beträffande lyktor 300:-
424E Fordon utrustad med lykta/strålkastare som kan visa eller avge rött ljus framåt/ vitt ljus bakåt 400:-
425E Fordon utrustad med anordning som vid belysning kan återkasta rött ljus framåt/vitt ljus bakåt 400:-
426E Reflexanordning(ar) saknades/av ej godkänd typ/bristfällig(a)/ej anordnad(e) på föreskrivet sätt (Vid färd under mörker) 300:-
427E Körriktningsvisare saknas/ur funktion/ bristfälliga/ej anordnade på föreskrivet sätt 400:-
428E Identifieringsmärkning saknas/bristfällig (på registrerad släpvagn) 300:-
429E Fordon försett med delar/tillbehör som förbjudits av Vägverket 300:-
430E Användande av fordon med fordonsdelar/ fordonstillbehör av ej godkänd typ/ej märkt på föreskrivet sätt 300:-

Har man bara reflexer och LGF-skylten, samt kör dagtid så ska det gå bra...

 

När är traktorn byggd?

Year    Serial no
1946    1 - 315 = 315st
1947    316 - 20894 = 20578st
1948    20895 - 77772 = 56877st
1949    77773 - 116461 = 38688st
1950    116462 - 167836 = 51374st
1951    167837 - 241335 = 73498st
1952    241336 - 310779 = 69443st
1953    310780 - 367998 = 57218st
1954    367999 - 428092 = 60093st
1955    428093 - 488578 = 60485st
1956    488579 - 517651 = 29072st

Första året 1946, byggdes 315 st, produktionen startade på hösten. Och sista året, 1956, ställdes produktionen om för FE35, "guldkalven". Den var ingen större förbättring, gick fortfarande i 20km/h, men hade hög/låg-växel. Efterföljaren MF35, den röda från 1958, var uppväxlad till 30km/h och den fick uppdateringar efter hand. Fortfarande var det en liten traktor, och många av delarna från Grållen var samma.

 

Ferguson FE-35 "Guldkalven" med den bronserade kroppen.

1956 1001 - 9225 = 8224st

1957 9226 - 74655 = 65429st

Nu var "Grållen" förlegad, går för fort på 1:ans växel och för sakta på 4:ans! För törstig på bensin/fotogen. Den hade brytit jorden och mättat många munnar. Men nu måste utvecklingen gå vidare med större och snabbare maskiner som vi känner dem idag. Fler skär på plogen, större harvar osv.

 

Dokumentet från Statens Maskin Provning 1949. Klicka på bilden för att ladda ner hela dokumentet.

 

Dokumentet från Statens Maskin Provning 1954 av dieselversionen. Klicka på bilden för att ladda ner hela dokumentet.

 

Reservdelsboken

Av någon anledning så låg reservdelsboken kvar hos min kompis, fast verkstaden slog igen för minst 20 år sedan. Bladen är daterade i augusti 1957. Det är efter att produktionen stannat, därför bör den vara komplett med alla varianterna. Lite tummade sidor av oljiga händer... men vadå! Jag lånade och scannade. Klicka på bilden för att ladda ner hela boken.

 

Bränslestickan för tanken

Jag fick låna två olika årsmodeller av drivmedelsmätstickor för att rita upp. Stickor från Mobiloil. Klicka på bilden för fullversion.

 

Kombinerad för TEA och TED traktor. Klicka på bilden...

 

Enbart för Bensin TEA traktor. Klicka på bilden...

 

Enbart för Fotogen TED traktor. Klicka på bilden...

 

Ritade om stickan och plastade in den... får se om plasten håller för bränslet. Har limmat plastskivan på en ekstav. Klicka på bilderna för större version. Stickan skall vara exakt 250mm lång. Eller ladda ner denna filen med ritningen och hämta "free viewer-program" från denna sida. Öppna ritningsfilen i det programmet, och du kan skriva ut stickorna exakt i skala 1:1 på din skrivare.

 

Modifieringar

Originalgeneratorn fick ge vika... och det är enklare med minusjordat systen. Fick en smidig 12 Volt 50 A generator av en kompis. Originalremskivan skavdes en vända i svarven, sen passade den på nya generatorn. Har bytt all kabel i traktorn. Sedan laddningsreläet togs bort så blir elschemat för traktorn mycket enkelt! Nya generatorn har inbyggd laddningsrelä. Laddningslampan på instumenttavlan måste bytas till en kraftigare. Nu sitter det en 4W lampa mot tidigare 1,5W. Annars vill inte laddningen starta. Startmotorn som tidigare var plusjordad, bryr sig inte om att det nu är minusjordat. Det är en serielindad maskin, den går alltid samma riktning, även om den matas med växelström!! En dammsugare har samma motortyp.

 

Har bytt hela tändsystemet. Det var nästan så att lagren i fördelaren skulle skära. Plockade isär hela fördelaren, tvättade upp lagren och smörjde in med fett. Inte så roligt att läsa "Made in Japan" på tändspolen!

 

Ättika

Jag fick problem med att motorn tryckte ut olja i luftrenaren...rök i avgaserna och droppade olja från förgasaren när motorn stod still. Misstänkte cylinder fyra, att kolvringarna inte var kuranta. Att riva motorn är ett företag i sig.

Fick ett tips från några fiskare på Hasslö. Deras föräldrar fiskade under kriget och körde med råoljemotorer. Bränslebristen tvingade dem att köra på vad de kom åt... tjockolja, fisktran osv... Med följd att kolvringarna koksade igen.

På kvällen slog de en flaska ättika i varje cylinder??? och på morgonen startade de motorn och fortsatte att fiska...

Vad hade jag att förlora? Men, kanske prova lite först innan man slår ättika i en lite modernare maskin

Detta är tändstiftet från cylinder fyra. Fyllde ett snapsglas med ättika! Där fick tändstiftet bada i över natten.

På morgonen efter, blåste jag det rent och torkade med en trasa. Det ser rent ut som nytt!!

Då vågade jag slå en skvätt ättika i varje cylinder över natten. Hade växel i och gungade traktorn då och då för att röra kolvarna lite. Dagen efter körde jag motorn runt på startmotorn utan stiften i skruvade. Svart ävja spottades ur stifthålen. Stiften på plats, och motorn hostade igång. När den började gå rent så lät det lite angenämare. Häxprocessen hade fungerat. Ingen olja i luftrenaren osv...

Personbil

En bekant hade problem med en 15 år gammal bil att den gick inte igenom besiktningens avgasprovning. Dessutom tog bilen olja. Jag tipsade om ättika. De tittade på idioten naturligtvis... men vad att förlora? Ättika inhandlades, en skvätt i varje cylinder över natten. På morgonen hostades bilen igång, mot besiktningen och ut med blankt papper! Oljeförbrukningen sjönk oxo betydligt. Detta är kanske inte nån hästkur för något modernare bilar? Vad händer med den ättika som rinner ner i sumpen?

Ny tändning

Traktorägaren borde varit satt under förmyndare... Köpte ny elektroniskt tändsystem som kan styras över telefonen!!

123 Ignition, det ser ut som om alla gamla engelska bilar har samma byggmått till fördelaren. Denna fördelare heter 123-GB-4-Tune+. Den har kontakt via Bluetoth till telefonen, där många parametrar går att ställa.

 

Så häringa ser det ut på telefonen....

 

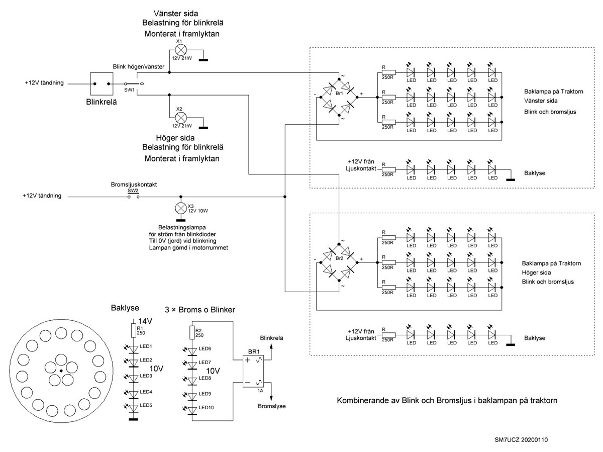
Modifierat baklyse

Baklampan har också fått en modifikation. Eftersom jag ska ha en prärievagn efter mig, så skymmer den traktorn bakifrån. Då är min åsikt, att det måste finnas blinkers. Och när det är monterat bromslampor på vagnen, så anser jag att oxo de måste fungera. Vill gärna ha alla dessa funktioner inbyggda i traktorns "original" baklampa. Provade att lägga in 2 stycken 10W spollampor inne i kapslingen till broms/blinkers! Men av värmen från lamporna så blev plasten lite mjuk, och gav en tendens att formförändra utseendet till det sämre.

 

Det blev en vända runt ritbordet med en modifikation. Ett kretskort etsades fram med plats för några röda lysdioder. Originallampan krossades! Så att jag fick en lampsockel att löda fast kretskortet på.

 

I mitten är baklyset med fem lysdioder.

 

Och i en ring sitter fler lysdioder för bromslyset kombinerat med blinkersen. Med lite hokus-pokus av likriktarbrygga går det att kombinera broms/blinkers i samma "lampa". Precis som på amerikanska bilar.

Principschemat för kopplingen i baklysena.

 

Bromsljuskontakten

Bromsljuskontakten är monterad på en liten vinkel. Tyvärr sitter switchen dold för kameran. Den undre balken är bromspedalen.

 

 

..

Framlampans inkråm är lite rostigt. Har funderingar på att köpa nya. Men inför traktorresan så fick det bli en snabb nödlösning. Ville gärna att lyktorna ska vara tända under färd. Lamporna är original Bosch utan hel/halv-ljus. Likadana arbetslampor runt om. De monterades av ANA efter importen av traktorn. Krossade glödlamporna, och monterade en varmvit lydiodplatta på lampsocklarna. Sen borrades ett hål i reflektorn som passade en 21W gul lampa till blinkersen, som limmades med smältlim. Traktorer behöver inte ha lyktorna tända dagtid. Jag kommer inte att köra i mörker, så LED lamporna blir bra till varselljus dagtid. Förbrukningen sjunker från 2 × 35W till 2× 2W på lamporna, detta reducerar värmen och batteriförbrukningen avsevärt.

 

Det fick bli en ny förgasare, den gamla var sönderskruvad. Nu går motorn som en dröm på tomgång. Dessutom startar motorn alltid utan hjälp av choken efter bytet. Fastän jag saknar kor och mjölkmaskin, fick vakumuttaget sitta kvar.

 

Hastighetsmätare

Traktorns instrumentering har kompletterats med en hastighetsmätare! Traktorn gör max ca 24km/h! Till höger har jag klämt en vit lysdiod som skvallerlampa till blinkersen. Vill inte borra i panelen. "Blinkerspaken" är den lilla gummivippan ovanför tempmätaren.

 

I cykeldatorn finns en trip mätare. Har redan kört nästan 7 mil...

 

Givaren sitter surrad på en vinkel vid vänster framhjul. En extra kraftig magnet på hjullagret fixar pulsen till givaren. Genom att justera avståndet mellan magnet och givare så blir triggningen ok. De får inte sitta för nära varandra.

 

Hjuldiametern och rulldiametern är inte lika. Cykeldatorn vill helst ha rulldiametern om siffrorna skall bli rätta. Däcket plattas till lite, därför blir rulldiametern mindre. Radien mätes till hjulcentrum, sen är det folkskolans matematik med radien och Pi som gäller för att få omkretsen. 335 × 2 × 3,14 = 2104 mm . 2104 knappas in i cykeldatorn.

 

Ifall vi kör vilse?? Lite moderna leksaker till pappa. En minicykelkorg till kameran och vattenflaskan.

 

 

Ett utdrag ur tidningen Teknikens Värld nr 18 1948

Klicka på bilden för större version.

 

Detta var 1948... 30 traktorer i timmen från bandet! 500 om dagen, det betyder att de körde tvåskift.

 

Traktorn byggdes av Standard Motors åt Ferguson. Från 1948 så användes Standards egna motorer i Fergusontraktorn. De första traktorerna hade en amerikansk Contentialmotor.

Från Teknikens Värld nr 4 1948. Den nya Standard Vanguard. Detta var 80mm cylinderdiamter. Senare kom 85mm cylinderdiameter med 68 hk.

 

ANA sålde både bilarna och traktorerna från Standard Motor i England.

 

En storbeställning av traktorer från Amerika

Ur Teknikens Värld 5 1948

 

Detta är Davids kamp mot Goliat! Det är inte lätt att flytta tröskan när en drivrem plötsligt går av. Den stannade och blockerade vägen utanför mina grindstolpar. Nu fick Grållen göra en insats, det var precis det gick att kämpa mot hydrauliken i tröskan, men den kom undan trafiken.

 

return