
Is it possible to build a TX on a 1" x 4" piece of wood??
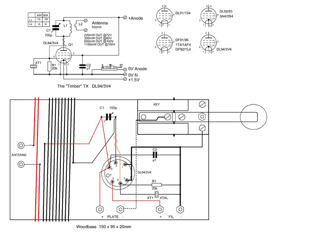
Iti s planed on 3 sides.Nothing to do with frequency stability...just little nicer look.... With little wire for the coil. A piece of brass for the key. 5 bought items (six with the valve holder). Here a battery valve is used, DL94/3V4. But other valves fits in the schematic. You only need: one Crystal, one resistor 20k, one condenser 0.1uF, one variable condenser 200-300pF, and little wire to get the TX to run. The dark piece of wood will be the key.

For the key you will need a knob . A M3 bolt, is threaded in there you think the middle is. Cut of the head. Made the wood roughly round with a knife.

In a maschine drill the knob is turned to shape with a file.

The key arm requires a "U" insert. This idea is from the Paraset tranceiver. File a groove in a piece of metal to make a bending jig.

Using the bending jig in a vice, with a suitable drill, the "U" shaped bend is made in the brass key arm.

A small piece of brass is made for locking the key arm to the pivot. Holes are drilled in the shafts and the small brass retainer.

The body for the key is made with a saw. Sand to shape and finish. Test the assembly with a 2mm shaft.

Some pieces of brass and brass bolts are used for the key contacts and adjustments.

The key spring is a rubber band.

The rubberband goes through the chassis, and is locked with a match. If the rubber to weak, twist it like a old rubber-powered aeroplane.... The black wire is zero volt to the key
The key contacts i made from brass, not so good ....but for a few QSO it will not be out worned....

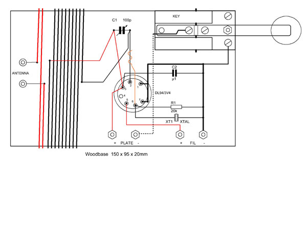
Lets go on . For 3.5MHz we twist 20 turns of the wire around the chassi. The edges is little smothed. 20 turn gave about 20uH wich sounds good for 80 meters band. Over the "cold" end of the coil add 3 turns for the antenna. This will be about 50 ohm.

Close-up of all the components .....

Fit for fight . Just connect the batteries.
You can not make a transmitter much simpler. Without the little "gimmic", twisted around the anodwire, the transmitter didn't start properly..
The power out is depending of how many 9 Volt batteries Father Christmas had in the sack! With 8 batteries you get 72 volt and about 220mW in a 50 ohms antenna. Tested shortly with 230V, get about 3W!! But not good for the valve!

The layout of the transmitter