IKE III

 

Har ännu inte hittat originalbeskrivning på IKE III, vet bara att det är röret ECL82. Tog en ritning från nätet och byggde upp liknande som IKE I

 

Förstärkarschema från nätet

 

Byggd på en träplatta enligt samma koncept som IKE I

 

 

 

Äntligen

IKE III Original

 

Äntligen har jag hittat en originalritning till IKE III. Lennart SM7DIZ hade en i sina gömmor, tack. Som pdf här

 

Ritade om schemat. Den ville busa och tjuta tills jag la dit en kondensator över gallerläckan till trioden och jordade ena sidan av högtalaren.

 

Layouten

Renritade layouten så blev det enklare att bygga en replica

 

Med de komponenter jag hittade i gömmorna.

 

Jag fäste en platt högtalare på undersidan, därav de runda hålen.

 

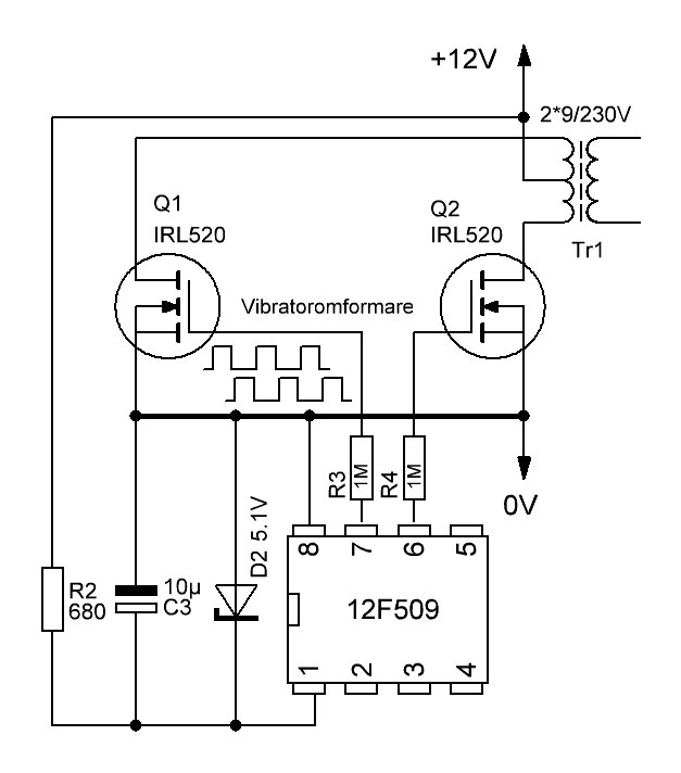
Strömförsörjningen IKE IV

Strömförsörjningen till IKE-serierna togs från väggen med 230V, via en trafo och selenlikriktare. Men jag föredrar att inte blanda in nätspänning till dessa "öppna" apparater!

Det är enkelt att hacka upp spänningen från 12V till 200V genom att vända på en nätrafo och med hjälp av två MOS-transistorer och två trimpotentiometrar.

 

Här lyser en 230V 15W lampa från 12V som testbelastning. Här är det med en 2×12V, 1500mA trafo. senare använde jag en 2×9V, 900mA trafo, den räcker gott.

 

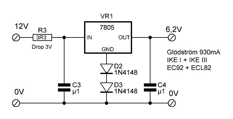
Glödströmmen fixades med en 7805. R3 bränner bort lite effekt innan stabkretsen.

 

Det är enkelt att spänningsreglera med några komponenter. Med några komponenter till får man strömbegränsning.

 

Med den enkla vibratorn med trimpotentiometrar får man gärna lite knatter i strömmen. Båda transistorerna leder samtidigt ett kort ögonblick.. Men med hjälp av en PIC-processor kan man förskjuta pulserna lite. Och med gatemotstånden (1M) går det att laborera så pulsen inte blir så fyrkantig. Här finns PIC-programmet, öppnas med en texteditor. PIC:en behöver 5V så jobbar den på de båda utgångarna.

 

Strömförsörjningen, reglerbar anodspänning, och fast 6,3V till glöden.

 

FM-rörradio

Och med alla tre plattorna monterade på en högtalarelåda går det att demonstrera hur enkla medel det behövs för att ta emot på FM-bandet och driva rörgrejerna från ett 12V batteri. Ljudet är helt i klass med vilken rörradio som helst. ca 300mW uteffekt. Egentligen är mottagaren en AM-mottagare. Genom att flankdetektera så går det utmärkt att lyssna på FM-bandet.

return