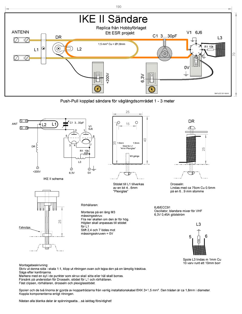
IKE I I

Då har turen kommit till att presentera IKE II från gamla Hobby-Förlaget. En Push-Pull sändare för våglängder mellan 1 – 3 meter.

Bild 1. Sändaren från Hobby-Förlaget

Som alla byggsatser från Hobby-Förlaget så var lödjobbet gjort. Det behövdes endast en skruvmejsel för att fästa delarna på träplattan. En förstansad plastfolie skulle klistras på träplattan med anvisningar var clipsen (Electrokit) skulle sitta. Här har jag använt en platta ”räddad” ur vedboxen hos en båtbyggare.

Bild 2. Schemat

Det är inte mycket prylar som behövs till att bygga en sändare. En dubbeltriod, ECC91/6J6 (Radiomuseet), en trimkondensator, ett motstånd och lite koppartråd. Modulationen fås genom att spänningsmata från modulationsuttaget på IKE III, förstärkaren. Originalbeskrivningen finns att hämta här.

Bild 3. Sockeln

Bild 4. Från andra hållet

Det mesta är lött direkt på rörsockeln. Och sockeln är lödd på en lång M3 mässingsskruv. Eller som det står i beskrivningen… järngängad mässingsskruv!

 

Bild 4. Drosseln

Drosseln har jag lindat på en bit av limstiftet till en limpistol. Drosseln är samtidigt stöd för spolen L2. Det påstås att den bör lindas med en ¼ ? lång tråd. Antennen ansluts via L1 och klämmorna från plundrade ”sockerbitar”

 

Funktionen:

Sändaren hoppade igång direkt. Och den går att justera mellan 50…..200+++ MHz via trimkondingen. Med 140V så tar den 10mA… 1,4W. Men jag kan bara mäta upp ca 15mW HF. Får inte en lampa att lysa. Den borde lämna ca 0,5W.

Min nyritade layout kan hämtas här: högerklicka och spara.

En viewerprogram från ABACOM, för att skriva ut min layout i skala 1:1 kan hämtas här:

 

return