Sensorkortet

Vid elmätaren behövs ett sensorkort, som tittar på den blinkande lysdioden. Jag hade ingen fototransistor hemma...så jag gjorde en genom att lyfta av hatten på en NPN-transistor (BCY59). Chippen är mer eller mindre känsliga för ljus. Detta kretskort placerades vid mätaren, där "fototransistorn" tejpades fast framför den blinkande lysdioden. De flesta fototransistorer tar bara IR-ljus, ca 900nm. Den gula lysdioden på elmätaren avger ca 690nm. Lysdioden på sensorkortet är en "skvallerdiod" så man kan konstatera att fototransistorn läser av mätaren

 

En närbild på den 'bearbetade' transistorn. Kanske ingen hållbar ide i längden, men funkar för test

 

Huvudkortet placeras vid mätinstrumentet. Detta är mitt första testkort. Flera av komponenterna är placerade i hållare, klippta från IC-socklar. Då blir det enklare att testa fram komponentvärden.

 

Det enkla schemat. Ursprunget är hämtat ur boken "501", projekt 279, varvräknare för dieselmotorer. Kretsen drar ca 4,5mA. Eftersom "fototransistorn" är väldigt högohmig så satte jag en OP för att driva signalen i den 20 meter långa kabeln. Vårt mätarskåp står vid tomtgränsen. Innekretsen placerades direkt vid instrumentet. Det kan bli lite labbande med komponentvärdena för att passa sin egen mätare.

Vi har 16A huvudsäkringar, och teoretiskt kan vi då ta ut 400V×16A×1.732=ca 11.000W=11kW. Då kan det vara lämpligt att gradera instrumentet till 0 - 10kW. Med vår mätare med 10.000 pulser/kWh × 10 = 100.000 pulser/timma vid 10kW. Dividerar vi 100.000 med en timma (3600sekunder) så får vi frekvensen ungefär 28Hz. Med den frekvensen blinkar lysdioden på elmätaren vid 10kW effektuttag. Med hjälp av en pulsgenerator inställd på 28Hz kan instrumentet kalibreras på bänken innan montage. P1 trimmas till max utslag på instrumentet vid 10kW/28Hz.

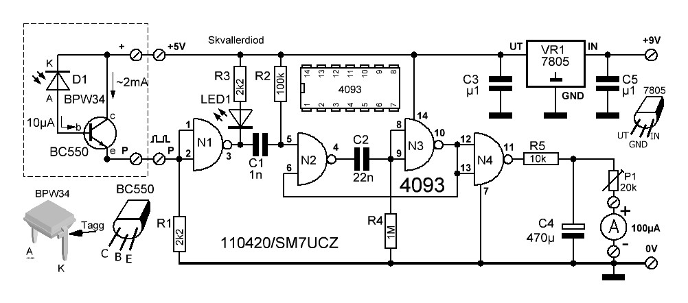
Hur funkar det?? Pulserna från mätaren kommer in via C2, N1 snyggar till pulsen så att det blir skarpa flanker. N2 + N3 är en monostabil vippa som skapar en puls med bestämd längd, varje gång en puls kommer in på N1. Längden på den monostabila pulsen bestämmes av C5. Långsamma mätare(under 10Hz maxfrekvens) behöver ca 100nF, annars prova med 10nF. N4 driver instrumentet. och med P1 så bestämmes maxutslaget för en uträknad maxfrekvens från just den aktuella mätaren. C7 lugnar ner instrumentet. Utgången på N4 är en så kallad PWM signal. (Puls With Modulated). Det är avståndet mellan de monostabila pulserna som bestämmer utslaget på instrumentet. Medelvärdet blir lugnare med C7, men...det blir liksom "sirap" i instrumentet om C7 är för stor. När mätaren är nära "0" kommer pulserna mer sällan och då gungar mätarnålen lite i takt med inkommande pulser.

 

 

Förbättringar

 

Ett imponerande 50µA instrument med de nya korten. Tackar Leif/MCD för mätaren!

 

Efter första testen det blev det en del fel på kretskorten och konstruktionen. Därmed är det inte sagt att konstruktionen kan förbättras ytterligare

 

Kretsschemat blev lite reviderat och vidare utvecklat. För att kunna använda 1mA instrument så är OP2 tillagd. TS921 är vald för att den jobbar "rail to rail". Alltså ända ner till 0V. Så att instrumentet står på "0" när ingen effekt registreras. OP2 kan slopas om 100µA instrument användes. Bygla då pinne 3 till 6.

 

Den avsågade transistorn var ett provisorium. En ny sensor, TSL250R, beställdes. Sensorn måste kunna ta gult spectrum, ca 690nm. Om den avsågade transistorn var okänslig, så var denna tvärtom. Jag trodde den var trasig, för den gav full signal ut hela tiden...tills jag släckte ljuset i rummet. Den är väldigt känslig för 50Hz brum från glödlampor.

 

Eftersom den är så känslig så monterade jag en rörnit som ljus-kanal. Sedan täckte jag hela sensorn med häftmassa för att stänga ute ströljus.

 

 

 

Rörniten på andra sidan kortet där sensorn tittar genom. Korten skall sedan monteras några mm från elmätaren, utan mekanisk kontakt.

 

Avläsningen är helt beröringsfri. Fäste kortet på en Al-vinkel som sitter med kardborreband i skåpsidan. Det är ca 5mm luft mellan elmätaren och sensorkortet. Helt beröringsfri avläsning. Elbolaget skall inte kunna klandra mig för att manipulera med mätaren.

 

Huvudkortet

Det slutliga kortet som driver mätinstrumentet. Med en skvallerlysdiod längst upp till vänster

 

Testoscillator

För att enkelt kunna testa systemet, utan att behöva springa ut till elskåpet, slängde jag ihop denna testoscillator. Den ger ca 1....30Hz.

 

Sensorkortet sättes på de två distanserna och lysdioden på testoscillatorkortet simulerar elmätaren.

 

Kretsen ger en fast kort puls medan tiden mellan pulserna kan justeras med 100k potentiometern. Den går inte ned till 0Hz...ca 1Hz

 

Klart för test.

 

Ytterligare förenklingar

Som Hasse Alfredsson sa på Hemmet... "Min konjak och jag är inlåsta....men inte i samma skåp". Detsamma är det med elmätareskåpet. Det brukar vara placerat utomhus för enklare manuell avläsning, vårt instrument inomhus och däremellan måste vi ha en kabel.

Funderade lite på hur man skulle kunna använda enbart en 2-ledare till elskåpet, vanlig ringledningstråd. Skulle det gå att skicka både strömmen och pulsen i samma ledning? Men den pyttelilla...ca 10µA, strömmen genom fotodioden måste förstärkas i en transistorn ca 250ggr. När puls kommer så leder transistorn ström direkt till R2. Spänningen stiger över motståndet R2 till nästan 6V...och här har vi vår puls. Nu till nästa förenkling...varför använda kretsen 4093?. Över R2 har vi redan en PWM signal som kan driva ett känsligt instrument. R1 och C1 filtrerar pulserna till en jämnare likspänning och med P1 justeras max visning av effekten på instrumentet.

Fotodioder skall kopplas "baklänges", det är den läckande backströmmen som ändras av infallande ljus. Läckströmmen är låg..max 50µA. Och den måste vi i vårt fall förstärkas en hel del. Det finns en hake med denna enkla kW-mätarekoppling....det måste vara absolut mörkt för fotodioden mellan pulserna, annars går inte instrumentet till noll när ingen effekt förbrukas. Dessutom är utslaget beroende på hur mycket starkt pulsljus som infaller på fotodioden, hur stabil batterispänningen är, så denna enkla koppling har sitt pris.

 

 

 

Sensorkortet

För att hålla den lilla fotodioden och transistorn kan man skära till ett kretskort 15×35mm från kretskortsskräp. Klistra fast bilden, borra hålen direkt genom ritningen, och skär därefter linjerna med en bladkniv.

 

Komponentplaceringen. Med en vanlig "sockerbit" blir det enkel anslutning vid elskåpet.

 

Observera att fotodioden sitter på foliesidan Sensorn måste fästas nära och framför elmätarens blinkande lysdiod, så att ströljus hindras. Vänd fotodioden rätt...den lilla 'taggen' på ena benet åt höger på denna bild.

 

Lite enklare fungerande koppling

Om vi för tillbaka kretsen 4093 så blir vi oberoende av bakgrundsljuset, intensiteten av pulsljuset från fotodioden och batterispänningen. N1 och C1 spärrar för ströljus, de släpper bara igenom pulsen..(om den är hög nog)... 7805 ser till att spänningen är exakt 5V hela tiden. Detta har jag testat på en 10.000 impulsers mätare.Med en mätare som har 1000 impulser/kW så blir det glest mellan pulserna... vid 1kW belastning kommer det en puls varje 3,6 sekunder. Där får man tillgripa en µ-processor som får lite räkneuppgifter innan den lägger ut en PWM-signal.

 

 

return