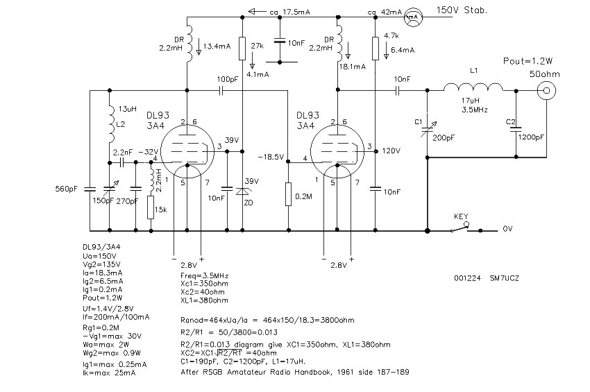
Transmitter with DL93/3A4

 

 

Det går åt mycket cognac under laborationerna i lampans sken.....

 

 

Chassit.....kanske lite dåligt med skärmningen....

 

 

Return