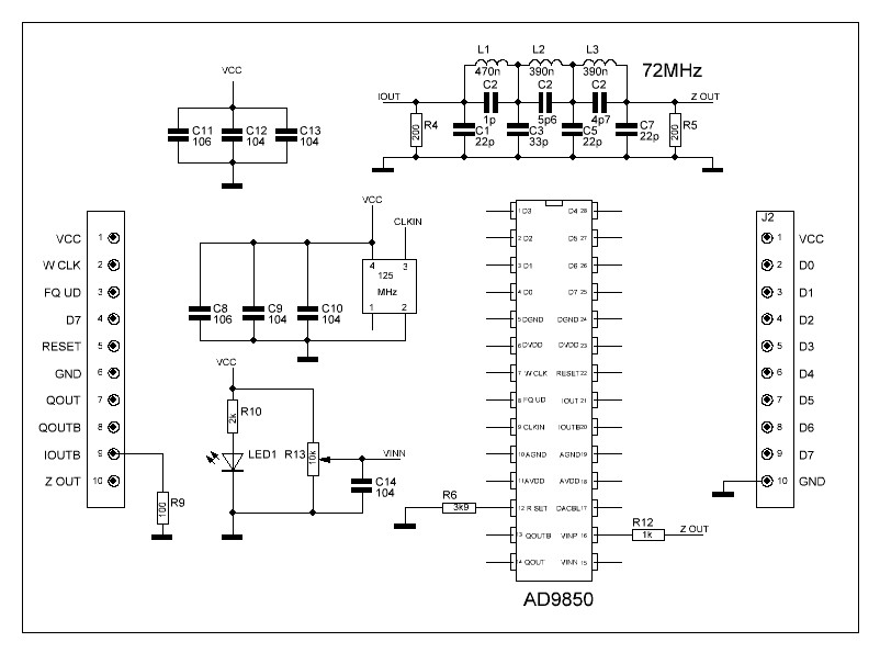
DDS AD9850 VFO

 

 

Vårat frekvensomfång i VFO:n är begränsat till 3500...3600kHz. Därför hade jag en ide om att använda en potentiometer istället för pulsgivare till att ställa frekvensen med. Genom att gradera potentiometern 0...100 så behövs ingen frekvensdisplay. Med 10 bitars i AD-omvandlingen, blir det en upplösning på 100Hz/steg. En hake med dessa DDS-kretsar är att de skall styras via ett pulståg av 40 bitar. En PIC-processor sköter ett sådant jobb galant. En BFO beatoscillatorfunktion ritades också in så att det går att sväva runt sändningsfrekvensen vid mottagning med 10Hz/steg. Våra mottagare är av den direktblandande typen. En ingång till PIC:en ”TX” nollställer BFO:n vid sändning, så att frekvensen går tillbaka till grundfrekvensen. PIC16F684 hade jag liggande, den har analogingångar för att ta hand om potentiometersignalerna. Och tillräckligt många pinnar till detta projekt. Så många, så att PICkit2 programmeraren kunde vara ständigt inkopplad under utvecklingsarbetet.

Utgången från DDS:en ger ca 1Vpp med 100 ohm utgångsimpedans. En buffertförstärkare, plankad från nätet, höjer utgångssignalen till 4Vpp. Helt klart behövs ett lågpassfilter för att städa upp signalen. DDS-kretsen kan styras snabbare än vad PIC-processorn hinner med, så det finns inga timingproblem. Den är så snabb att det går att nyckla DDS-kretsen direkt. Tredje biten i sista dataordet är "POWER DOWN" det är den som går att använda till nycklingen.

 

Nya DDS-kort från Kina. VFO utan spolar. 0...40MHz

Dessa kort säljs i Kina för ca $5 styck inklusive frakt! Korten kan generera frekvenser från 0 upp till ca 40MHz i steg om 0.0291Hz. De här såg jag som en bra ersättare till de drivande oscillatorer vi byggde för några år sedan till KRAS-transceivern på 3.5MHz.

Greger på Electrokit har nu dessa i lager. http://www.electrokit.com/ddsmodul-ad9850-dip28.50755

 

Pulståget


Här kan man se alla 40 clockningarna överlagrade med data som kommer från PIC 16F684, som styr frekvensen i DDS :en

 

Ungefär så här ser $5 kortet ut. Lågpassfiltret är lite för högt för våra applikationer

 

För att testa DDS:en så byggdes en labbplatta med direktkoppling till PIKkit2 programmeraren.

Styrkoden till DDS:en är Phase = freq × 2³²/crystalfreq . Eller Phase = 3.500 × 4294967296/125 =120259084 = eller 072B020Ch i hexformat vilket skall klockas in i DDS:en för frekvensen 3.500MHz.

Eftersom potentiometern endast täcker 100kHz bandbredd så går det att skifta "band" med en omkopplare till andra 100kHz segment

 

Med en 10-varvig potentiometer och skala 0...100 så blir frekvensen exakt enligt skalan efter lite justering i programmet. 100000/1024= 97.656625Hz/steg. Detta eliminerar behovet av en LCD-display. BFO-ratten justerar frekvensen -5kHz...0...+5kHz. En upplösning med 10 Hz/steg. Det var ”lediga” ingångar på PIC-processorn. Där satte jag en omkopplare så att det går att göra bandskifte, 3500, 3600 och 3700 kHz. Det är inget som hindrar att ta fler ingångar till hjälp. Då går det att täcka alla amatörband i 100 kHz bandvidd. Eller varför inte bygga den som kristallersättare i sändare??
Det finns en nackdel, krestsen tar över 120mA, och med bufferten hamnar det kring 170mA. Kristalloscillatorn och AD9850 kretsen blir varma.

Programmet till PIC-processorn är under ständig utveckling... men är du nyfiken så finns det här ... öppnas med en texteditor.

Eftersom hela kortet tar ca 180mA med buffertförstärkaren så gjorde jag en test med en 30.720MHz kristall, som låg liggandes. Strömförbrukningen sjönk 50%.. till ca 90mA. Delningstalen fick naturligtvis räknas om.

 

Simple RX

 

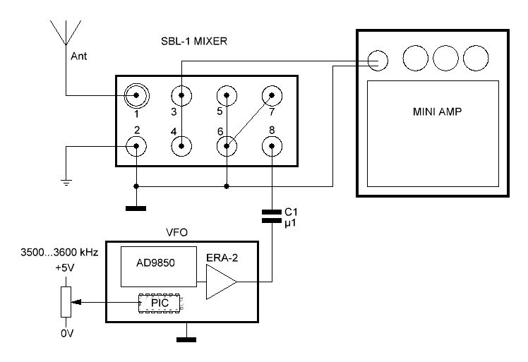
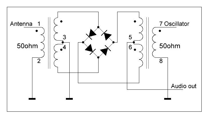
En SBL-1 Mixer går det att göra en enkel direktblandande mottagare med.

 

Detta är vad som finns inne i burken.

 

DC-Receiver

När det nu finns en stabil VFO, varför inte koppla upp den mot en mixer. Och ansluta en enkel förstärkare.

 

 

Provisorisk koppling för att testa kopplingen. Och, jo det fungerar, inga problem att lyssna på CW och SSB stationer. Men utan förkretsar så kan starka rundradiostationer bryta in. Den lilla "orkesterförstärkaren" har skaplig förstärkning, och klarar uppgiften galant.

 

Med betoning på provisoriskt... Antenn och oscillator in så kommer ljudsignalen ut, som behöver förstärkas en hel del.

 

ECH81

Försök med att göra en direktblandad mottagare med röret ECH81 och använda DDS-VFO:n som oscillator. Det blir högtalarestyrka med ett rör. Heptoden blandar och trioden förstärker. Genom det gamla knepet med att använda transformator mellan stegen blir det "gratis" extraförstärkning innan signalen kommer in i trioden.

 

Heptoden ville ha ca 20Vpp på oscillatoringången innan det blev ordning på signalerna. En enkel transformator på en toroidkärna fixar upp spänningen. Det är viktigt att koppla transfomatorn T1 fasriktigt, det självsvänger annars. En S-Match på antenningången sköter avstämningen. Nu har jag bara provat på 3,5MHz. På kvällen vill BC-stationer bryta in med för stor antenn.. Glöden matas med likström. Det ville brumma!

 

DDS-TX

Labbkoppling till en enkel sändare med ca 400mW uteffekt. Mikrobrytaren uppe till vänster är nyckeln. Frekvensen ställes med den blå trimpotentiometern till vänster.

 

Sändaren nycklas med hjälp av "POWER DOWN" biten som klockas över till DDS:en från 12F683 processorn. Frekvensen, mellan 3500 ... 3600kHz ställes med potentiometern, vilken bör vara av 10-varvig typ. Klicka på bilden för större schema. Kristalloscillatorn är bytt från 125MHz till en från junkboxens 30.72MHz. Strömförbrukningen sjunker, värmeutvecklingen sjunker och naturligtvis maxfrekvensen sjunker. Men här jobbas det endast mellan 3500 till 3600 kHz.

 

Ca 400 mW uteffekt.

 

Fin sinus på utgången, ca 12V över 50 ohm.

 

Sändardelen med 2N3866. Arbetspunkten inställes med trimpotentiometern. Alla spolar är av "färdiglindade typer" som liknar motstånd.

 

 

 

Detta är en test med PIC 12F683 och en DDS9850 att göra en enkel sändare. Det finns mer att göra med programmet. Frekvensen kan "hoppa" 100Hz om potentiometern står i ett mellanläge. Det tar jag för närvarande inte hand om. Den som är intresserad kan ta del av programmet AD9850_683.asm här.

 

Nyckling via power down biten

DDS:en är ruskigt snabb att starta från Power Down! Tyvärr ger det upphov till nyckelknäppar.

 

Den är lika snabb att stanna i nollgenomföringen!

return